-
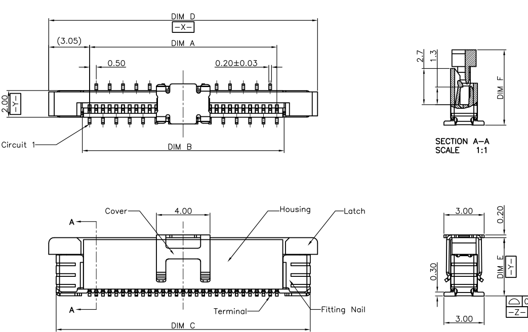
0.5-40p帶鎖抽屜立貼fpc連接器適用于 0.5mmPitch H=5.0 FPC 拉拔立式 SMT 型連結器系列
1)0.5-40p帶鎖抽屜立貼fpc連接器 材質 MATERIAL:
1°絕緣膠體 Housing: LCP
顏色 Color:白色 White
耐燃等級(UL94V-0)Flammability Rating(UL94V-0).
2°后蓋 Actuator: LCP
顏色 Color:黑色 Black
耐燃等級(UL94V-0)Flammability Rating(UL94V-0).
3°端子 Terminal: 磷青銅 Phosphor Bronze.
焊片 Fitting Nail:黃銅 Brass.
2)0.5-40p帶鎖抽屜立貼fpc連接器 帶吸蓋:








